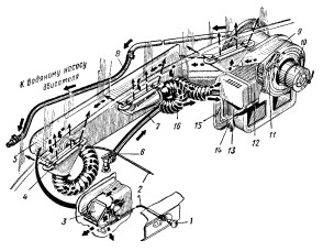
Отопитель [рис. 1] кабины автомобиля ЗИЛ-130 предназначается для подачи тёплого воздуха в кабину и обогрева ветрового стекла в случае его замерзания.

Рис. 1. Отопитель кабины автомобиля ЗИЛ-130.
1) – Ручка управления заслонкой канала отопителя и устройством для обдува ветрового стекла;
2) – Трос;
3) – Заслонка канала отопителя и обдува ветрового стекла (представлена в открытом положении);
4) – Сопло обдува ветрового стекла;
5) – Канал;
6) – Кран;
7) – Водоподводящий шланг;
8) – Трубопровод;
9) – Рабочее колесо вентилятора;
10) – Электродвигатель;
11) – Дополнительное сопротивление;
12) – Радиатор;
13) – Заслонка кожуха;
14) – Пружинная пластина-фиксатор заслонки;
15) – Рукоятка управления заслонкой;
16) – Шланг обдува ветрового стекла.
⃰ Сплошной стрелкой указано направление движения воды, штриховой – направление движения тёплого воздуха.